This is what distinguishes us:
  • Products with high dimensional accuracy
  • Customised design
  • Increased availability of the production plant
  • On-site support

Hydraulic cylinder as guide pillar
in casting racks

The hydraulic guide pillar is an externally hardened pillar with an integrated hydraulic cylinder. This allows loads coupled to the piston rod to be precisely guided and moved without subjecting the cylinder itself to side loads.

With the hydraulic guide pillar, two functions can be achieved with one component in a space-saving manner: the linear movement of a hydraulic cylinder and the exact guide of a round pillar. Due to the hardened surface of the guide pillar, very large guide forces can be transmitted.

 

Design

Single-rod cylinder with cushioning on both sides

Equipment

Sealing system cover: Servocop®
PU/NBR for hydraulic oil up to 100°C
PU+/NBR for HFC up to 60°C
FKM for temperatures up to 200°C

Quality of piston rod

20MnV6 chrome-plated and honed
42CrMo4V hardened, chrome-plated and honed

Hydraulic cylinder as guide pillar in casting frames
Mounting

Cylinder: Rectangular flange cap side,
Piston rod: Internal thread

Hydraulic ports

according to ISO 228
Port position: cap and head side or both integrated on the cap side

Guide tube

Outside: surface layer hardened 52 HRC, optionally chrome-plated
Inside: honed

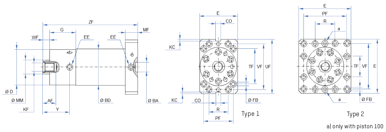
Technical data of the hydraulic cylinders as guide pillar in die casting frames

Bore

MM
f7

Stroke** KF AF
min.
WF ZF** G MF BD
f9
D BA
H7
Y PL EE
80 50 430 M 30 35 28 729 28 50 130 129,8 40 78 27 G 3/4*
100 60 250 M 36 45 30 615 114 55 155 154 40 119 32 G 3/4
100 60 400 M 42 x 1.5 60 28 835 105 70 160 155 50 110 40 G 3/4
125 80

400

 M 60 x 2 55 42 949 154 70 180 179,8 50 162 33 G 1

 

Bore

Flange

UF E TF VF R PF CO
-0,1
KF FB p max.
80 Type 1 185 130 155 122 60 102 - - 19 160 bar
100 Type 1 225 155 150 190 64 118 25 5 21 200 bar
100 Type 2 255 250 70 170 100 204 - - 26 160 bar
125 Type 2 - 255 70 210 100 210 - - 26 160 bar

Dimensions in millimetres

* EE head side additionally in the cap side flange
** Deviating stroke and installation length

Core pull cylinders
for die casting molds

Core pull cylinders are particularly robust hydraulic cylinders that are adapted to the requirements in die casting machines.

Thanks to the externally mounted position detection system with limit switch, both end positions can be flexibly positioned to any position. The piston rod is secured against rotation by the position detection system.

A modern sealing system increases the service life of the cylinders.

 

Design

Single-rod cylinder, optionally with cushioning

Equipment

Sealing system cover: Servocop®
PU/NBR for hydraulic oil up to 100°C
PU+/NBR for HFC up to 60°C
FKM for temperatures up to 200°C

Quality of piston rod

20MnV6 chrome-plated and honed
42CrMo4V hardened, chrome-plated and honed

Core pull cylinders in casting machines
Mounting

Cylinder: Quick-change flange head side
Piston rod: flanged rod end

Hydraulic ports

according to ISO 228
Port position: cap and head side

Permissible pressure

up to 160 bar

Bore Rod
  Ø
Port Ventilation LB a d C b c c2 c3 l8 l9
40 20 G 1/4  M 8 x 1  134 13 19 20 10 68 50 52 53 14
50 25 G 3/8  M 8 x 1  150 17 24 26 13 80 60 64 61 15
60 30 G 1/2  M 8 x 1  164 20 29 30 15 95 70 76 68 17
80 40 G 1/2  M 8 x 1  199 27 39 40 20 116 95 102 73 23
100 50 G 3/4  M 8 x 1  217 34 49 50 25 140 120 126 76 22
125 60 G 1  M 8 x 1  248 40 59 60 30 168 145 158 80 38
140 80

G 1 1/4

 M 8 x 1  268 54 79 80 40 200 160 180 89 31
160

100

G 1 1/4  M 8 x 1  302 67 99 100 50 220 190 202 91 50

160

120

G 1 1/4  M 8 x 1  326 80 119 120 60 240 220 228 110 46,5

 

Bore Rod
  Ø
z1 MF k FB UF E H LF+
40 20 60 40 105 18 141 80 98 60
50 25 60 40 150 25 200 90 103 60
60 30 70 50 160 25 210 110 113 60
80 40 70 50 180 25 230 130 123 60
100 50 75 55 210 25 260 150 133 60
125 60 85 65 250 30 310 180 148 60
140 80 85 65 280 35 350 220 168 60
160 100 100 80 290 39 370 240 178 60
160 120 110 90 310 45 400 260 188 60

 

Dimensions in millimetres

Menu
DE