With regard to the EU Machinery Directive, hydraulic controls must be designed in such a way that the risk to humans and the environment is as low as possible. This means that, in addition to its actual technical function, the machine or the drive installed in it must also meet the safety level specified by the risk analysis.
In hydraulic systems, such control functions are implemented using electronic controllers in combination with valve blocks. The required valves are housed compactly in these hydraulic control blocks.

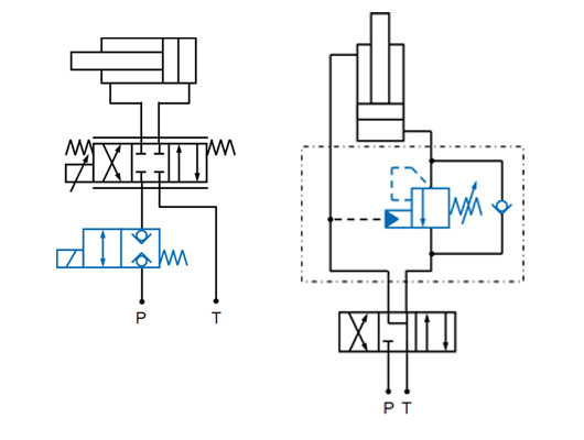
This function disconnects the actuator from the pressure supply. This is achieved with a lock valve in the pressure line P.
Adjusting the lowering speed may be necessary in some cases to protect people or components. This is achieved with a lowering brake valve (counter pressure valve) in the return port.
With high dynamics, several servo valves are connected via a mounting bock to enable a high flow rate. At low speed, only one small valve is used. This is achieved with two or more control or directional valves.
Each control block must be individually designed for the respective application. This detail is carried out by the hydraulic block specialists at Hänchen. In the following, you will find possible functions that can be integrated into the block.
In addition to their technical function, machines must also meet the safety requirements specified in the risk assessment in order to minimise the risk to humans. The following hydraulic functions can be used as safety functions for PLe through a redundant design:
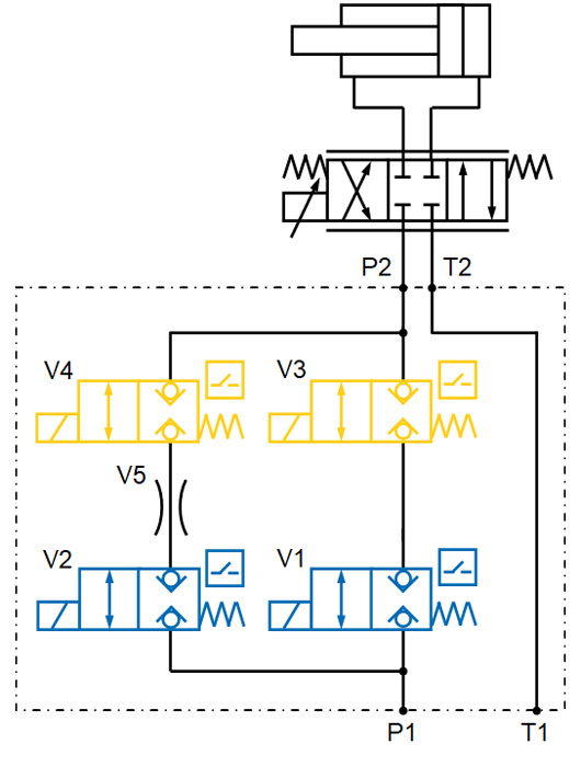
In set-up mode, it may be necessary to reduce the speed in order to avoid safety-relevant hazards. This is achieved via a bypass with lock valve V2 and throttle V5 and a lock valve V1 in the main flow rate.
The cylinder position is kept under force by locking the oil in the chambers. This is achieved with lock valves V1 and/or V2 in lines A and/or B. In the case of throttle gaps in the consumer, the functional oil lines must also be shut off.
Safety function: Redundant design of the position-monitored lock valves connected in series (V3 und V4)
When carrying out material tests, it must be ensured that people in the test field can work safely and, for example, do not suffer any crushing or cutting injuries. The following functions are used in a safety block for the safe control of the hydraulic flow for PLd: