In hydraulic plants, functions for sequence and safety are implemented using electronic controls in combination with hydraulic control blocks. These control blocks, in which the required valves are compactly housed, can be installed on or next to the cylinder, depending on the functionality.
Technical data control block
Our switch-on-block, a standardised valve block
The Hänchen switch-on-block is a standardised valve block with the following integrated functions:
| Type | Nominal flow rate [l/min] |
Port P | Port T |
| 1 | 65 | G3/4 | G3/4 |
| 2 | 130 | G1 | G1 |
| 3 | 250 | G1 ½ | G1 ½ |
The control block is made of galvanised steel and is approved up to 280 bar.
The control block can be expanded for further functions or can be designed in a redundant form for applications with Performance Level up to PLe.
| Control block as mounting block P AGG, T AGG: Port for power unit side (pressure supply) P ZYL, T ZYL: Port for cylinder side (consumer) |
Each control block must be individually designed for the respective application. This detail is carried out by the hydraulic block specialists at Hänchen. In the following, you will find possible functions that can be integrated into the block.
Function: Shut-off
Shut-off block with A-B shut-off function
Due to their design, directional valves, especially control valves, always exhibit leakage. This is not relevant during operation because the pressure supply provides sufficient flow rate. However, to prevent a cylinder from lowering/sinking under load in a vertical installation when depressurised, lines A and B to the cylinder must be isolated by a safety block - the valve block.
Preferably, shut-off functions are integrated directly into mounting plates and mounted directly on the cylinder. This eliminates the need for a hose connection between the valve block and the cylinder. Thus, the cylinder cannot lower/sink even in the event of a complete power failure or damage to the hydraulic line system.
If leakage is to be expected in the hydraulic cylinder, for example due to functional oil of a floating gap seal, the functional oil lines must also be isolated accordingly.
For hydraulic cylinders with gap seals on the piston or with hydrostatic bearings, this measure is not sufficient to prevent lowering/sinking. Other precautions, such as a clamping unit, must be taken here.
To prevent the vertically mounted piston rod from lowering/sinking, it is sufficient to shut off the rod side. Shutting off both sides, however, increases safety, as no pressure can then be applied to the cap side.
In conjunction with a safety control system, a performance level according to DIN EN ISO 13849-1 up to PLe can be achieved by connecting two lock valves in series. In this case, the lock valves must be integrated into the control system with position monitoring according to DIN EN ISO 13849-1. The control system itself must meet the required safety standard.
| Control block with shut-off function A-B for PLe |
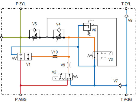
Function: Set-up mode
Safety block - shut-off function with reduced speed
Especially in set-up mode, a machine must have the option of moving each drive axis at a reduced speed. Depending on the requirements and risk assessment, it may be necessary to implement this set-up circuit as a safety function. For this purpose, a fixed throttle or a throttle that cannot be adjusted without tools and is additionally secured appropriately must be used in the hydraulic control block.
In this circuit example of the control block, the flow rate required for the application with PLe during operation is separated by two lock valves V1 and V2.
Parallel to this, a bypass is set up with the lock valve V3 and the throttle V4, which provides a reduced flow rate for set-up mode.
Thus, the drive can be moved at a speed that is safely reduced by the throttle. Depending on the application and safety requirements, a further lock valve V5 may be necessary, which encloses the throttle V4 with the lock valve V3.
|
Hydraulic control block with shut-off function A-B for PLe |