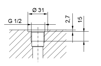
Pipe thread ISO 228 Part 1 - G1/2 for screw-in studs according to DIN 3852 Part 2, Form A (with sealing ring according to DIN 3869) or Form B (with sealing edge)
Do not use sealant.